Skip to Content
  • 25+ Years Experience
  • American-Made Quality
  • Expert Technical Support
  • Fast Shipping

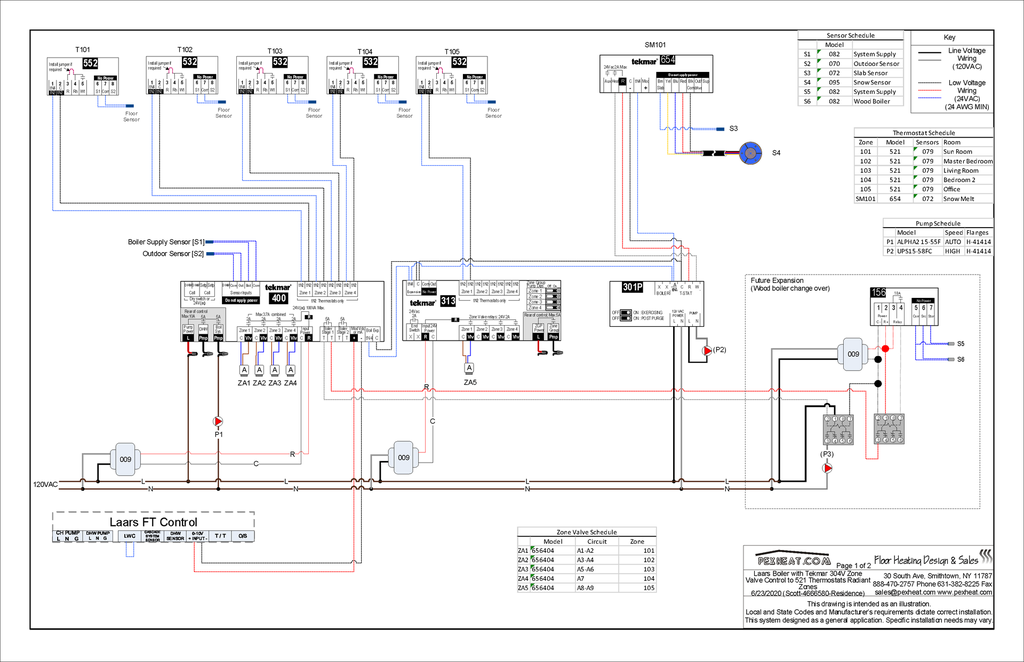
Wiring Diagram

Custom Wiring Diagram per Component

A Pexheat.com Custom Wiring Diagram will take the guess work out of wiring up your boiler, thermostats, pumps and controls. Created by Trained Professionals familiar with your project. They show wire gauge and pin-out connections for each electrical component in your system.

For simplicity and read-ability the Custom Wiring Diagrams will omit redundant connections or use "typical" wiring connections such that multiple devices will be wired in a typical manner. (ex. One Typical Thermostat or Zone Valve will be illustrated and additional connections of those components will be omitted)

The Custom Wiring Diagrams are priced per Component. (ex. Boiler wired to a 7 Zone heating system;1 DHW, 1 Baseboard, 5 Radiant Zones = 4 Components = $300) Please contact us for more information.

A Custom Wiring Diagram created by Pexheat.com for your system will save you time and money by illustrating all the components necessary for your control system. They can make sure the components you buy are correctly chosen to be used for your application. They can also show short cuts and money saving techniques for getting the most out of your controls. If you are a Plumber or Do-it-yourselfer, a Custom Wiring Diagram goes a long way keeping your project on tract.

Contact for Availability
75.00 75.00

30-day money back guarantee
  • Manufacturer
Terms and Conditions
30-day money-back guarantee
Shipping: 2-3 Business Days
Manufacturer: Pexheat

Custom Wiring Diagram per Component