Wiring Diagram

https://www.pexheat.com/web/image/product.template/19354/image_1920?unique=c121dce

Custom Wiring Diagram per Component

75.00 75.00 75.0 USD

75.00

Not Available For Sale

    This combination does not exist.

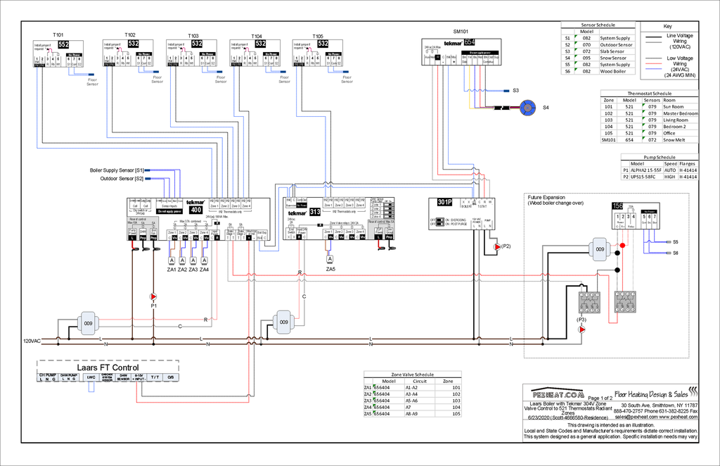
    A Pexheat.com Custom Wiring Diagram will take the guess work out of wiring up your boiler, thermostats, pumps and controls. Created by Trained Professionals familiar with your project. They show wire gauge and pin-out connections for each electrical component in your system.

    For simplicity and read-ability the Custom Wiring Diagrams will omit redundant connections or use "typical" wiring connections such that multiple devices will be wired in a typical manner. (ex. One Typical Thermostat or Zone Valve will be illustrated and additional connections of those components will be omitted)

    The Custom Wiring Diagrams are priced per Component. (ex. Boiler wired to a 7 Zone heating system;1 DHW, 1 Baseboard, 5 Radiant Zones = 4 Components = $300) Please contact us for more information.

    A Custom Wiring Diagram created by Pexheat.com for your system will save you time and money by illustrating all the components necessary for your control system. They can make sure the components you buy are correctly chosen to be used for your application. They can also show short cuts and money saving techniques for getting the most out of your controls. If you are a Plumber or Do-it-yourselfer, a Custom Wiring Diagram goes a long way keeping your project on tract.